ET5168

  • Product Introduction

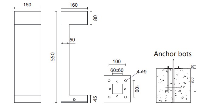
Aviation aluminum profile .

Ultra white tempered glass.

Silicone gasket.

Anti-corrosion electrostatic powder coating.

Stainless steel external screws and mounting plate.

On/off standard, DALI , 0-10V or Traic dimming is optional.

No upward lighting, and the lighting distribution evenly throws on the ground. 

Adopting a directional multi particle asymmetric reflecting device,

resulting in higher luminous efficiency and wider directional irradiation range.

The anchoring devices provided by ET Lighting are all made of SS304 material, with high strength, corrosion resistance, and long lifetime.


Model Power Beam angle CCT Luminous flux Control SDCM CRI LED Voltage Weight
ET5168 11W 360° 2700K / 3000K / 4000K 498lm ON/OFF 5 80 LEDx8 220V-240V 3Kg
  • Specifications
  • Download
  • Accessory

ET5168

Electrical and Control

Voltage220V-240V
Power11W
Power SupplyBuilt-in
ControlON/OFF / 0-10V / DALI
Cable0.5M H05RN-F 3x1mm2
Environmental                                                                                        -20 °C ~ 50 °C


LED and Optics

LED BrandCREE
LED QuantityLEDx8
Beam Angle360°
Delivered Lumen498lm
Colour RenderingCRI 80
SDCM5
CCT2700K / 3000K / 4000K 
LED OpticPMMA Lens


Physical

HousingDie-cast aluminum
Lens MaterialTempered glass
External ScrewStainless steel material
Surface TreatmentAnticorrosive coating
Net Weight3KG
Warranty3 years
RatingIP65
Impact ProtectionIK08
CertificationsCE






ET5168

Documents

ET5168.IES

ET5168

Optional accessories

  • Information
  • Downloads
  • Accessories
  • Service

71 025

DALI cross switch

DALI cross switch
sdsdsds

71 025

DALI cross switch

DALI cross switch
Documents

Product data sheet

Product data sheet

The technical specifications in the instructions for use, product data sheets and quotation texts refer to the products manufactured at the time of publication. We are constantly working to improve the performance and efficiency of our products. The goods delivered may therefore deviate slightly from those advertised.

71 025

DALI cross switch

DALI cross switch

71 025

DALI cross switch

DALI cross switch

Question about the product

Question about the product
ask

Image gallery

Recently viewed products

© 2026 Shanghai ET Lighting Manufacturing Qidong Co.,Ltd.  All Rights Reserved.   ICP:苏ICP:202388888888
Add
No. 23 Juhai Road, Qidong Hi-tech Industrial Development Zone, Nantong City, Jiangsu Province, 226236,China
International Business: Export@shetl.com
China Business: Sales@shetl.com
Phone: +86-021-69778613 / +86-13501885620(John)